Предназначен для контроля и двухпозиционного регулирования температуры технологических сред и узлов оборудования в химической, пищевой и других отраслях промышленности.
Датчик может быть использован в системах контроля, термостатирования, сигнализации, блокировки агрегатов (насосов, компрессоров и другого технологического оборудования).
Имеет:
- диапазон контролируемых температур от - 55 до + 125 °С;
- две температурных уставки, задание уставок с дискретностью 1 °С;
- предел основной абсолютной погрешности срабатывания датчика — ±1 °С;
- давление контролируемой среды — до 6,0 МПа (60 кгс/см2);
- мощное выходное электромагнитное реле с переключающими контактами — до 10 А (при ~220 В, 50 Гц) и до 0,5 А (при ±110 В);
- материалы, контактирующие со средой - сталь 12Х18Н10Т ГОСТ 5632;
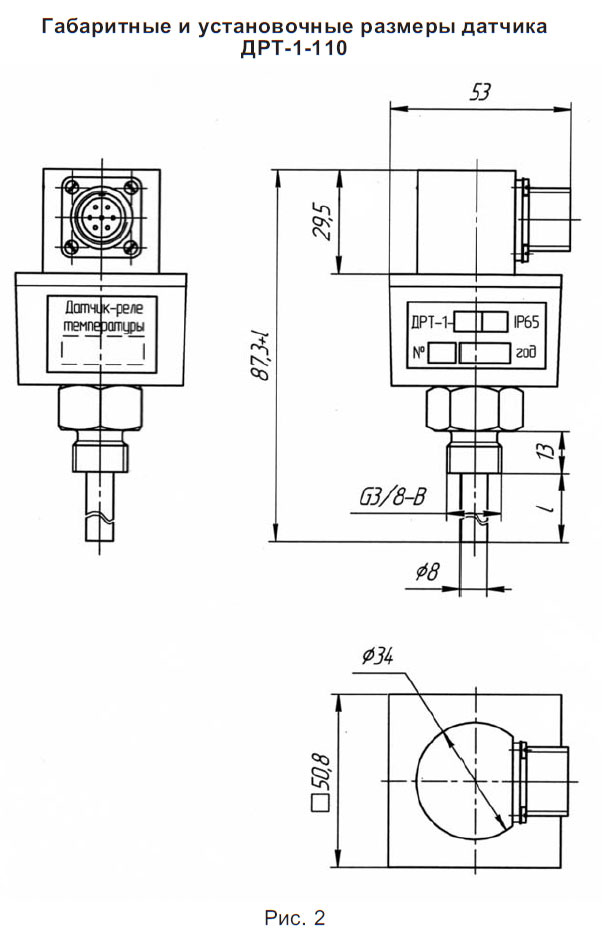
- габаритные размеры — 115×35×(l+105) мм.
Пример записи обозначения датчика ДРТ-1-220 с верхней уставкой 70 °С, нижней уставкой 55 °С, длиной гильзы l = 75 мм при заказе:
«Датчик-реле температуры ДРТ-1-220 5Д2.821.016 ТУ, tBУ = 70 °С, tНУ = 55 °С, l = 75 мм».- Назначение
- Технические
характеристики - Схемы, монтаж,
комплектность - Применение,
отзывы - Сертификаты,
разрешения
Назначение
Датчик-реле температуры ДРТ-1 (далее по тексту — датчик) предназначен для контроля температуры технологических сред и узлов оборудования в химической, пищевой, медицинской и других отраслях промышленности.
Датчик может быть использован в системах контроля, термостатирования, сигнализации, блокировки агрегатов (насосов, компрессоров и другого технологического оборудования).
Отличительными особенностями датчика являются:- мощное электромагнитное реле, позволяющее коммутировать электрические нагрузки без использования электромагнитных пускателей и контакторов;
- электронный способ задания температурных уставок.
По метрологическим свойствам датчик относится к изделиям, не являющимся средством измерения, но имеющим точностные характеристики.
Датчик сохраняет свои характеристики при воздействии внешних постоянных магнитных полей с напряженностью до 40 А/м.
Принцип действия датчика заключается в сравнении температуры контролируемой среды с заданными температурными уставками.
В датчике задаются две температурные уставки:- верхняя (ВУ) включает электромагнитное реле датчика при превышении температуры среды значения ВУ;
- нижняя (НУ) выключает электромагнитное реле при понижении температуры среды ниже значения НУ.
В датчике используется электромагнитное реле с переключающимся контактом. Замыкающий и размыкающий контакты реле коммутируют внешние электрические цепи постоянного и переменного тока.
Температурные уставки датчика задаются при выпуске (необходимо указать при заказе) или пользователем.
Для контроля работы и перенастройки температурных уставок рекомендуется использовать блок контроля температуры БКТ-1. Блок, подключенный к датчику, позволяет измерять текущую температуру контролируемой среды и задавать уставки непосредственно на месте эксплуатации.
Конструкция датчика ДРТ-1-110 представлена на рис.1.
Датчик состоит из корпуса 1, на котором закреплена гильза 2. Внутри корпуса установлена печатная плата 3 с радиоэлементами схемы и электромагнитным реле. Корпус герметично закрывается крышкой 5. На крышке установлен разъем 4 (вилка 2РМ18КПН7Ш1В1) для подключения цепей питания, нагрузки или блока контроля температуры БКТ-1.
В нижней части гильзы находится полупроводниковый чувствительный температурный элемент, в котором запрограммированы температурные уставки.
Длина гильзы определяется при заказе датчика.
Минимальная длина погружной части гильзы — 20 мм для ДРТ-1-110 и 58 мм для ДРТ-1-220.
Конструкция ДРТ-1-220 приведена на рис. 5.
Датчик состоит из корпуса 1, на котором закреплен термобаллон 4. Внутри корпуса установлена печатная плата с радиоэлементами схемы и электромагнитным реле.
Корпус закрыт крышкой 2. На боковой стороне корпуса установлен разъем 3 (вилка 2РМ18Б7Ш1В1) для подключения цепей питания и нагрузки. К дну корпуса крепится термобаллон 4, на котором установлена прижимная гайка М27х2, для монтажа датчика на объекте. Термобаллон выполнен из нержавеющей стали 12Х18Н10Т ГОСТ 5632. Герметичность установки датчика обеспечивается фторопластовой прокладкой 6 на фланце 5 термобаллона.
В нижней части термобаллона 7 находится чувствительный температурный элемент, в котором задана температурная уставка tУСТ и зона возврата Dt.
Корпус покрашен краской RAL 7040.
На верхней стороне корпуса наклеена этикетка. Способ изготовления этикетки – металлофото.Технические характеристики
| Параметры контролируемой среды | — температура от - 55 до + 125 °С; — максимальное давление рабочей среды — 60 кгс/см2. |
| Выходной сигнал | переключающие контакты реле («сухой» контакт) |
| Коммутационные характеристики | до 10 А (при ~220 В, 50 Гц) и до 0,5 А (при ±110 В) |
| Предел допускаемой абсолютной основной погрешности | не более ± 1 °С |
| Точность настройки уставки | с дискретностью 1 °С |
| Допустимое превышение температуры рабочей среды | не более 150 °С в течение 15 мин. |
| Питание датчика | — ДРТ-1-220 – от сети переменного тока напряжением 220 В, 50 Гц; — ДРТ-1-110 – от сети постоянного тока напряжением 110 В. |
| Потребляемая электрическая мощность | не более 5 Вт |
| Предельная длина линии питания | не более 500 м |
| Условия эксплуатации |
— температура окружающего воздуха от - 58 до + 85 °С; — атмосферное давление от 630 до 800 мм рт. ст.; — относительная влажность воздуха до 100 %; — вибрационные воздействия с частотой от 10 до 55 Гц и амплитудой смещения не более 0,35 мм; — содержание агрессивных примесей в окружающем воздухе должно быть в пределах санитарных норм. Агрессивность среды не должна превышать химическую стойкость стали 12Х18Н10Т ГОСТ 5632 |
| Вид климатического исполнения | УХЛ1.1 по ГОСТ 15150, группа исполнения Д3 |
| Степень защиты от проникновения твердых предметов и воды | IP54 по ГОСТ 14254 |
| Механический ресурс срабатывания контактов реле | не менее 1•107 циклов |
| Средняя наработка до отказа | не менее 50000 ч |
| Средний полный срок службы | не менее 10 лет |
| Габаритные размеры | не более 115×35×(l+105) мм — подробнее см. подраздел «Схемы» |
| Масса | не более 0,5 кг |
Монтаж
Перед монтажом необходимо проверить работоспособность датчика согласно руководству по эксплуатации.
Датчик устанавливается в отверстие с резьбой М27×2 для ДРТ-1-220 или G3/8 для ДРТ-1-110, и уплотняется прокладкой.
Электрический монтаж датчика необходимо производить согласно схемы электрических подключений, приведенной на рис. 3 и рис. 7.
Концы кабеля распаиваются на контакты вилки из комплекта монтажных частей.
Корпус датчика ДРТ-1-220 заземляется с помощью наружного заземляющего винта. Сечение заземляющего провода должно обеспечивать сопротивление не более 4 Ом.
Схема подключения блока БКТ-1 к датчику для задания уставок и контроля температуры приведена на рис. 4 и рис. 8.Комплектность
В комплект поставки входят:
— датчик-реле температуры ДРТ-1 (исполнение по заказу)................1 шт.
— комплект монтажных частей...............................................................1 компл.
— руководство по эксплуатации.............................................................1 экз.
— паспорт..................................................................................................1 экз.Схемы
Применение
Применение
Oтзывы
Отзывы
Сертификат предоставляется по запросу. Отправьте заявку в отдел маркетинга по адресу oao-avt@yandex.ru, sale@oavt.ru или позвоните по телефону +7 (473) 202-97-37.
Приемная:
Приемная: (473) 202-69-75
394029, г. Воронеж,


